發布時間:2016-05-19 19:29:08

案例詳情
![]() |
![]() |
![]() |
|
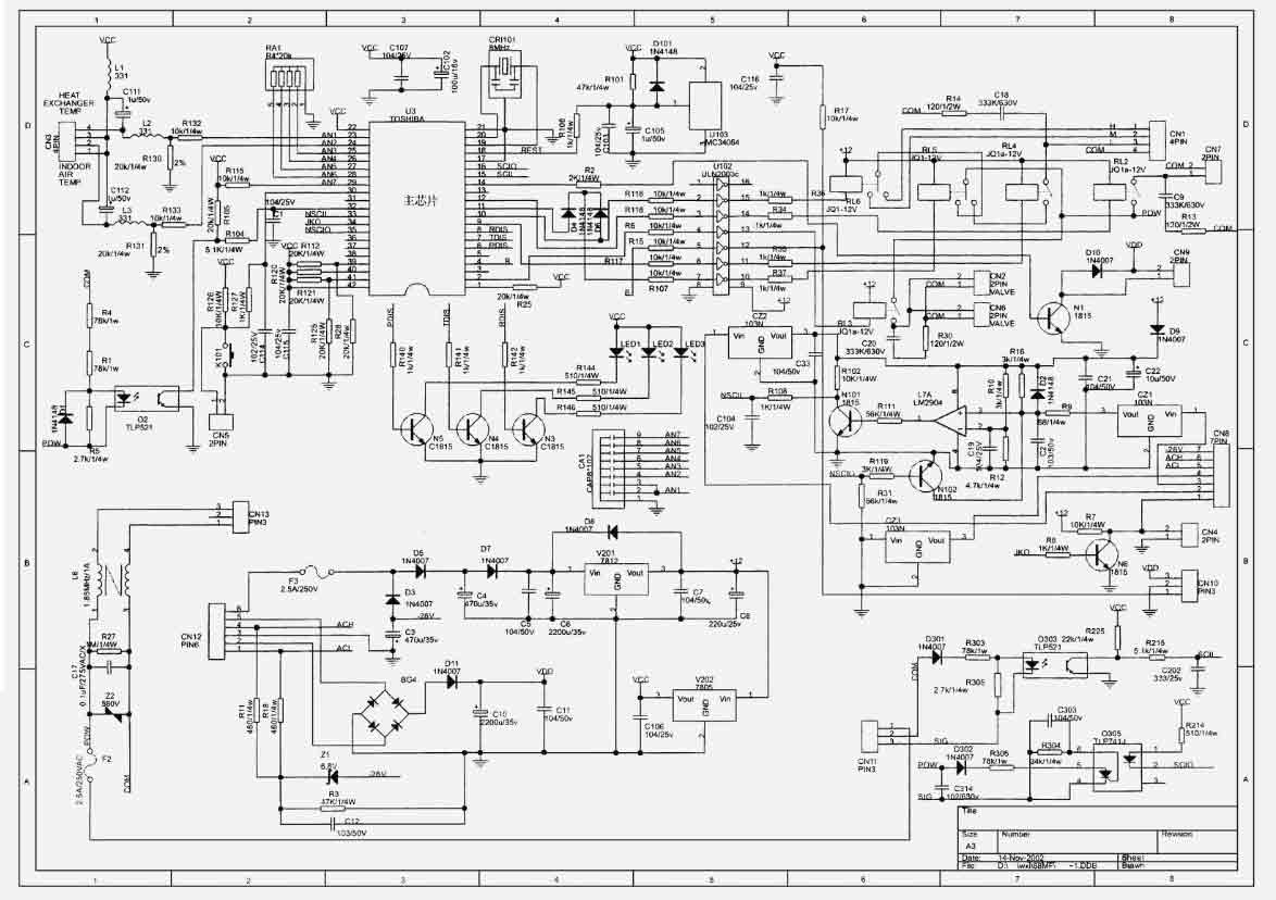
以下是該顯示板部分元器件的bom清單,列舉部分區域所用的部分電子元器件。
| 顯示板物料清單 | |||||
| 類型 | 參數說明 | 封裝 | 數量 | 位號 | 廠商 |
| 貼片電阻 | 電阻\100R\1/10W\±5% | 0603 | 1 | R24 | |
| 電阻\220R\1/10W\±5% | 0603 | 2 | R53,R57 | ||
| 電阻\750R\1/10W\±5% | 0603 | 4 | R3,R8,R9,R13 | ||
| 電阻\1K\1/10W\±5% | 0603 | 6 | R21,R22,R28,R40,R51,R60 | ||
| 電阻\2.2K\1/10W\±5% | 0603 | 5 | R4,R30,R36,R66,R67 | ||
| 電阻\4.7K\1/10W\±5% | 0603 | 1 | R39 | ||
| 電阻\5.6K\1/10W\±5% | 0603 | 1 | R44 | ||
| 電阻\7.5K\1/10W\±5% | 0603 | 1 | R47 | ||
| 電阻\10K\1/10W\±5% | 0603 | 17 | R1,R2,R14,R15,R16,R25,R26,R27,R31 R35,R42,R48,R49,R55,R56,R58,R65 |
||
| 電阻\12K\1/10W\±5% | 0603 | 3 | R7,R11,R19 | ||
| 電阻\18K\1/10W\±5% | 0603 | 2 | R37,R62 | ||
| 電阻\22K\1/10W\±5% | 0603 | 6 | R6,R10,R12,R45,R52,R63 | ||
| 電阻\30K\1/10W\±5% | 0603 | 2 | R34,R64 | ||
| 電阻\47K\1/10W\±5% | 0603 | 6 | R17,R18,R20,R38,R54,R61 | ||
| 電阻\68K\1/10W\±5% | 0603 | 2 | R5,R43 | ||
| 電阻\100K\1/10W\±5% | 0603 | 8 | R23,R29,R32,R33,R41,R46,R50,R59 | ||
| 熱敏電阻 | 貼片熱敏電阻\10K | 0603 | 1 | RT1 | |
| 貼片電容 | 電容\470PF\±5% | 0402 | 1 | C30 | |
| 電容\100NF\±5% | 0402 | 1 | C29 | ||
| 電容\220PF\±5% | 0603 | 4 | C5,C11,C16,C20 | ||
| 電容\2.2NF\±5% | 0603 | 2 | C8,C31 | ||
| 電容\100NF\±5% | 0603 | 13 | C2,C4,C6,C10,C12,C15,C18 C9,C22,C24,C28,C32,C46 |
||
| 電容\220NF\±5% | 0603 | 1 | C7 | ||
| 電容\1UF\±5% | 0603 | 4 | C13,C23,C27,C33 | ||
| 電容\2UF\±5% | 1206 | 8 | C39,C40,C41,C43,C44,C45,C37,C42 | ||
| 電容\3.3UF\±5% | 0805 | 5 | C3,C14,C17,C19,C21 | ||
| 電容\33UF\±5% | 1210 | 2 | C25,C26 | ||
| 電容\47UF\±5% | 1210 | 4 | C34,C35,C36,C38 | ||
| 鉭電容 | 貼片鉭電容\226A(22UF 10V) | 3216 | 1 | C1 | |
| 電感 | 大功率電感\0.1UH 1012AA | SMD2 6.6x6.6x2.8mm | 1 | L5 | |
| 大功率電感\0.47UH 1012AK | SMD2 6.6x6.6x2.8mm | 1 | L4 | ||
| 大功率電感\4.7UH 1021AB | SMD2 12.8x12.8x3.5mm | 1 | L3 | ||
| 繞線電感\10UH | SMD2 3.3x2.5x1.5mm | 2 | L1,L2 | ||
| 保險 | 保險 A | 0805 | 2 | F1,F2 | |
| 保險 E | 0603 | 2 | F3,F4 | ||
| (PMEG6010CEJ)EQ | SOD-323 | 2 | D12 D14 | ||
| (22V穩壓二極管)C | SOD-523 | 2 | D7,D9 | ||
| (6.2V穩壓二極管)FO | SOD-523 | 2 | D2,D10 | ||
| (整流二極管)GN | SOD-523 | 5 | D1,D3,D4,D5,D11 | ||
| (BAT54WS)L9 | SOD-523 | 2 | D6,D8 | ||
| (MAX803MXR)ABB | SOT-323 | 1 | Q2 | ||
| (BC856BW)3Bt | SOT-323 | 2 | Q4,Q5 | ||
| (BC846BW)1B | SOT-523 | 2 | Q1,Q6 | ||
| (BAT721A)L8W | SOT-23 | 2 | Q3,Q7 | ||
| (INA193AIDBVR)BJJ | SOT-25 | 1 | U14 | ||
| C12 | SOT-25 | 1 | U3 | ||
| (LM2703MFX-ADJ)S48B | SOT-25 | 1 | U6 | ||
| SHAB | SOT-26 | 1 | U4 | ||
| S86C M03 | SMD3 | 1 | U9 | ||
| 123N08NS | SON8鐵底 | 3 | U8,U11,U10 | INFINEON | |
| F7832 | SOP8 | 2 | U12,U13 | IOR | |
| L2941LD | LLP8 | 1 | U1 | NS | |
| TMSLF 240IAVFA | QFP32 | 1 | U2 | TI | |
| ATMEGA168 20AU | QFP32 | 1 | U5 | ATMEL | |
| LM5116 | SSOP20 | 1 | U7 | NS | |
| 晶振 | 貼片晶振\.N08 | SMD3 3.2x1.4x0.8mm | 1 | X1 | |
| 排針 | 黑色3PIN排針 腳距2.54mm | SIP3 | 1 | J1 | |
| LED燈 | 紅燈 | 0603 | 1 | D13 | |
PCB抄板簡介
板朗科技(www.jiaoyiniao.cn)是國內最早一批從事PCB電路板抄板的公司,擁有近十年的PCB反向開發設計抄板經驗。板朗科技建立了先進的PCB抄板研究室,購置了專業的抄板機器設備和軟件,組建了專業的抄板團隊。板朗科技每年經手各種PCB抄板案例數千件,我司豐富的抄板經驗在保證接手的抄板案例成功率的同時,也能夠更高效的完成抄板工作。高效率與高成功率使板朗科技在業界備受好評。
PCB抄板范圍
十年的抄板歷程中,板朗科技積累了成熟完備的抄板技術,PCB抄板業務覆蓋絕大多數類型和難度的PCB電路板,包括但不限于下面所列行業:
1.無線通訊設備:如無線基站;
2.光網絡傳輸設備:如SDH,DWDM設備。
3.數據通信設備:如高端路由器、LANSWITCH、ADSL等。
4.高端計算設備:服務器,主機主板等。
5.多媒體電子設備:TV、HDTV、DVD、DVB、LCDTV、PDP、LCOS、DLP。
6.大功率開關電源產品:家電、計算機、通訊、開關電源PCB設計。
7.電力電子設備:變頻器、UPS、工業電源、工控板。各系列工控PCB設計。
8.工業控制設備、汽車控制系統、醫療電子設備。
PCB抄板能力
| 項目 | 我司能力 | 精度 |
| 最高層數 | 1-38層 | …… |
| 最大板厚 | 6mm | ±0.05mm |
| 最大尺寸 | 640mm X 480mm | ±0.1mm |
| 最小線寬 |
硬板 0.01mm 柔性版0.005mm |
±0.01mm
|
| 最小線隙 |
硬板 0.01mm 柔性版0.005mm |
|
| 最小機械通孔 |
硬板 0.15mm 柔性版0.1mm |
|
| 最小機械埋孔 |
硬板 0.15mm 柔性版0.1mm |
|
| 最小激光盲孔 |
0.1mm |
|
| 最小激光埋孔 |
0.1mm |
|
| 盲孔種類 | 1階、2階、3階、4階激光盲孔 | …… |
| 埋孔種類 | >20類 | …… |
| 多層板銅厚測量 | …… | ± 1.7um |
| 多層板層間距測量 | …… | ±5um |
| 阻抗測算 | 5~150Ω | ±0.5Ω |
| 電阻阻值測量 | 0.000001Ω~20MΩ | ±5% |
| 電容容值測量 | 0.001pF ~ 100F | |
| 電感量測量 | 0.001nH ~ 10H | |
| 磁珠等效阻值測量 | 10Ω ~ 2000Ω (100MHz) | ±10% |
| 晶體頻率測量 | 1KHz ~ 200MHz | ±1% |
| 穩壓二極管測量 | 0.5V ~ 56V | ±0.01V |
一條龍PCB抄板
狹義上的PCB抄板僅包括電路板復制,我公司提供制作BOM清單、PCB克隆、芯片解密、物料代購、樣機制作、調試、維修,SMT加工、PCBA加工等整套電子方案開發的一條龍服務,一站式解決所有問題,為客戶節省時間、財力、人力等多方面的成本。
PCB抄板價格
板朗科技pcb抄板收費采用透明的計價方式,根據PCB板尺寸、板層、器件密度、操作的難以程度等相關參考因素,制定了詳細的計算抄板價格方式,不亂收,多收客戶一分錢。客戶如需相關其他后續加工服務,抄板費用能享有一定優惠。